DE
EN
+49 511 20200175
info@euroschwarz.de
Live support
Unternehmen
Über uns
Warum EuroSchwarz ?
Unsere Produktionsanlagen
After-Sales-Service
Produkte
Filtrationssysteme
Hauswasseraufbereitung
Dosierpumpen
Hygienische Ausrüstung
Poolausrüstung
Videos
Katalog / Manual
Katalog
Manual
Kontakt
STARTSEITE
Unternehmen
Über uns
Warum EuroSchwarz ?
Unsere Produktionsanlagen
After-Sales-Service
Produkte
Filtrationssysteme
Hauswasseraufbereitung
Dosierpumpen
Hygienische Ausrüstung
Poolausrüstung
Videos
Katalog / Manual
Katalog
Manual
Kontakt
Poolausrüstung
Jetwag
Jetwag
JET WAG
CODE
MODELL
100160610
Jetwag Monofaze/ Einphasen
100160611
Jetwag Trifaze/ Dreiphasen
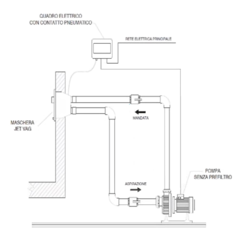
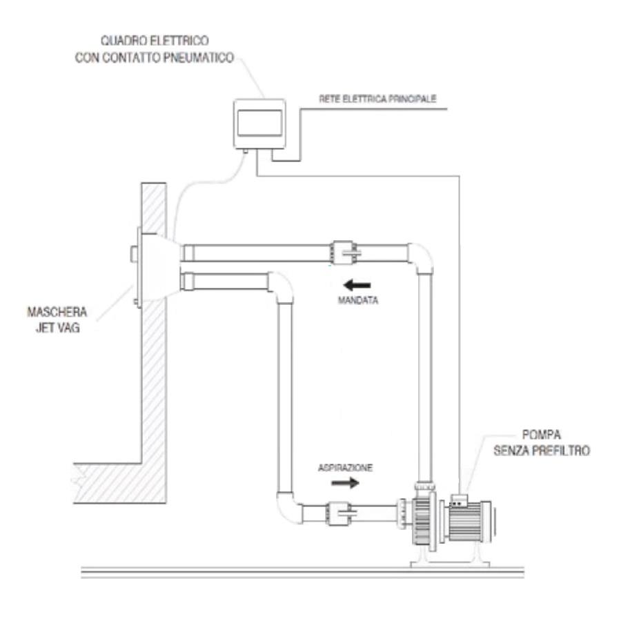
Bietet insbesondere für kleine und mittelgoße Schwimmbecken die Möglichkeit, kontinuierlich gegen die Strömung zu schwimmen.
Wird zusammen mit dem Zähler an der Seitenwand montiert.
Das vorhandene System erzeugt einen einstellbaren Hochgeschwindigkeitswasserstrom.
Das Gegenstromschwimmsystem wird mit einer Pumpe geliefert, die den CE-Normen entspricht.
Es ist geräuscharm und kann in allen PoolModellen installiert werden.
Kategorie:
Poolausrüstung
Tag:
Technische Daten
MODELL
Pumpe kW-HP
Elektrisches Schalttafel
Monofaze/Einphasig
20,2 kW - 3,0 kW
SI
Trifaze/Dreiphasig
3,0 kW - 4,0 kW
SI
Ähnliche Produkte
Europro
T-KONTROLL Elektronik-Steuerungspanel (Steuerungspanel, Modul)
Pool-Steuerschrank
AQUA Nozzle Bocchette / Bocchetta (Betonarme , Liner , Beronarme Liner ve Panel Liner havuzlar için)
EQUA Zulauf- Vakuumdüse (fest, mit einstellbarer Durchflussrate)
EQUA Kunststoffgitter (Equa Gitter, Beckenrand)
Pool-Eckteile
AQUA Bodenansaugung
Aquamax
EQUA Bodenansaugdeckel
AQUA Füllstandregler
Zodiac
M3 Dolphin
Dolphin Wave 50
Dolphin Wave 100
Liner
Elbe Modell
Elbe Mosaik
Elbe-Rutschfest
Teich-Liner
Liner Füllung–Flüssig
Liner-Profile
Liner-Profildichtung
Fußdesinfektionsbecken
Chlornator
Pool-Testkits und Analysegeräte
Bahnmaterialien
Sauna-Ausrüstung
Randgriffe
Randgriffe
Blower
Blower
Blower
Blower
Pool-Thermometer
Wärmepumpe
Plattenwärmetauscher
Flexschläuche
Pool-Rettungsring
Chlor-Granulat
Chlor-Tabletten
PH (-) Granulat , PH (-) Flüssig
PH (+)
Algenentferner
Ablagerungen
Transparent
Pak
Filterreiniger
Polyester-Pools
Max Jet
Solardusche
U-PVC-Rohre
Pool-Algenbürste
EQUA Muro-Typ Leitern (AISI 304, AISI 316)
Standard
EQUA SLIMART (Unterputz, Aufputz, LED-Leuchte)
Eckskimmer (SKlang, für Beton und Linerpools)
AQUARIUS Serie (450Y , 530Y , 620Y , 800Y , 950Y , 450T , 530T , 620T)
AQUA STD Umwälzpumpe
AQUAGLASS (620 , 950 , 1050 , 1250 , 1600)
Überlauf-Skimmer (für Beton und Folienbecken)
Standard + pH-gesteuert
EQUA Standardleitern (AISI 304, AISI 316)
Teleskopstaubsaugerstiel
Wasserfall
Jetwag
UH-PVC Bögen
Whirlpool-Pumpen
Komposit-Schwimmbecken
Mini-Kolbenlampe
Stehende Dekorlampe
AQUA Spezial (AISI 316)
U-PVC-Ventile
Fertigschwimmbecken
Pool-Manometer
Pneumatischer Knopf
Vakuumschlauch
Rx-pH-Gesteuert
Großmund-Maxi-Skimmer (für Beton- und Liner-Pools)
Zentrifugal-Guss-Pumpe
Pumpenständer
6-Wege-Ventile (Praher)
EQUA Skimmer (für Betonbecken)
AQUA Lux LED (für Betonbecken)
CLJ-pH Gesteuert
AQUA Mauer-Treppen (AISI 316)
Schwimmbecken-Schöpfer
Wasser-Luft-Mischdüse
UH-PVC Kupplung
Edelstahldüse
Quarzsandfilter / Glas-Medienfilter
Zubehör
Aqua-Salz-Zelle
U-PVC Rückschlagventile
Poolsauger (für Folienpools, für Betonpools)
AQUA Lux Led (Liner)
Spot-LED-Lampe
AQUA-Standardleiter (AISI 316)
Ersatz und optionale Teile
UH-PVC Adapter
Fußdesinfektionsbecken
U-PVC Steckdosenaufhängung
AQUA Lampentransformator und Fernsteuerungsmodul (Lampentransformator, Modul)
EQUA-Fülltransformatoren
U-PVC Muffe
U-PVC Blindstopfen
PVC-Kleber